La serie de ordenadores Luxor ABC-800 es la versión diseñadas para uso en oficinas del ordenador personal Luxor ABC-80. Incluyen un BASIC mejorado, una CPU Zilog Z80 funcionando a 3 MHz, 32 KB de ROM y un mínimo de 32 KB de RAM.
El ABC-800 venía en dos versiones: ABC-800M con una pantalla monocroma de 80×24 caracteres, y el ABC-800C con una pantalla de 40×24 caracteres con ocho colores. Opcionalmente se puede ampliar con gráficos de alta resolución de 240×240, para lo cual utilizan 16 KB de RAM como memoria de vídeo.
Normalmente, el almacenamiento estaba formado por dos unidades de disco de 5 1/4″ con 160, 320 o 640 KB. Posteriores versiones tuvieron disponibles discos duros.
El ABC-800 fue vendido por Facit bajo el nombre de Facit DTC.
| Características técnicas | |||
|---|---|---|---|
| Nombre | ABC-800 | ||
| Fabricante | Luxor AB | ||
| Pais | Suecia | ||
| Año | |||
| Teclado | |||
| CPU | Z80 @ 3MHz | ||
| RAM | 16 KB Aplicaciones 16 KB hires graphics display memory 2 KB Memoria pantalla | ||
| ROM | 28 KB BASIC II 4 KB DOS 4 KB Impresora y funciones de terminal | ||
| Lenguaje integrado | BASIC II | ||
| Modos de Texto | 40 x 24, 8 colores 80 x 24, monocromo | ||
| Modos Gráficos | 240 x 240 pixels @ 8 colores | ||
| Sonido | |||
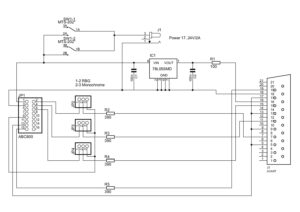
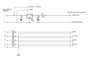
| Puertos de E/S | Pantalla externa (DIN-6) Conector Cassette (DIN-5) Puertos de comunicaciones (D-sub 9 pines): CH.A: reservado para impresora. CH.B: reservado para comunicaciones. Bus ABC, Conector 64 pines Monitor y alimentación (D 15 pines) | ||
| Alimentación | Fuente integrada en el monitor. La alimentación y la señal de video van por el mismo cable. | ||
| Periféricos | |||
COLECCIÓN
Al igual que el ABC-80, el ABC-800 recibe la alimentación del monitor, y utiliza el mismo cable para la señal de vídeo. Por desgracia, el conector utilizado en el ABC-800 es diferente del utilizado en el ABC-80, por lo que no he podido comprobarlo utilizando la fuente externa/modulador RF del ABC-80.
Existe un circuito que adapta la señal de video del ABC-80 a Euroconector (disponible en la documentación).
En la etiqueta tiene un texto que indica:
CheksumBASIC M-10798 BASIC M-10798 |
| Luxor ABC-800 Colour | |||
|---|---|---|---|
| Modelo | ABC-800 | ||
| P/N | 1909210 | ||
| S/N | D2321492 | ||
| Funciona | ?? | ||
| Caja | NO | ||
| Estado | 7 | ||
| Comentario | Sin el monitor que le sirve de fuente de alimentación. | ||
